Published:2009/7/7 22:27:00 Author:May | From:SeekIC

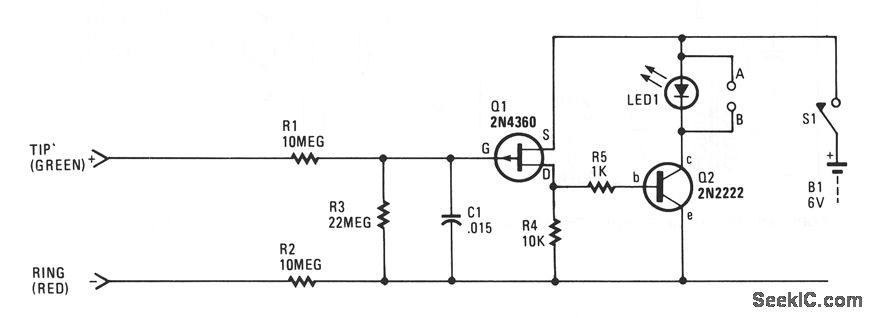
Each and every time a phone on the same line or calling number is taken off-hook, the circuit will be activated to control an extemal electronic circuit. If several extension telephones are used.on one phone line, the circuit can be useful as a busy indicator. LED1 contains a special flashing red LED that makes an excellent indicator for a busy circuit condition.The solid-state switch can be used for several other phone-activated applications, such as automatically tuming on a cassette recorder, starting a phone-use timer or counter, etc. A small relay can be connected at points A and B, in place of LED1, to control extemal circuits. A 117-Vac-to-6-Vdc plug-in power supply can be substituted for the battery to keep the operating cost at a minimum.The 48-Vdc, on-hook, phone-line voltage keeps Q1 in the cut-off condition, allowing no current to flow through resistor R4, hence Q2 remains off. Resistors R1 and R2 keep the solid-state switch circuit from causing any problems with the telephone's central-office equipment. When a phone is taken off-hook, the line voltage (tip to ring) drops to 10 V or less, which forces Q1 to turn on; this, in turn, causes Q2 to trigger LED1, or a relay which might be used in lieu of LED1.
Reprinted Url Of This Article:
http://www.seekic.com/circuit_diagram/Control_Circuit/Switch_Control/LINE_ACTIVATED_SOLID_STATE_SWITCH.html
Print this Page | Comments | Reading(3)
Code: