Published:2009/7/8 3:47:00 Author:May | From:SeekIC

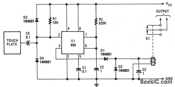
The monostable period is set for about 1 second, as is the usual case. The induced line hum comes through C2, providing a continuous string of trigger pulses. The output becomes low for about 10 ms per second as the monostable times out and then retriggers. Diode Dl and capacitor C3 buffer the relay so it doesn't chatter on those 10-ms pulses. Resistor R2 sets the sensitivity.The relay energizes when the plate is touched and de-energizes, up to one second after the finger is removed. The delay is a function of when the monostable last retriggered.
Reprinted Url Of This Article:
http://www.seekic.com/circuit_diagram/Control_Circuit/Switch_Control/LINE_HUM_TOUCH_SWITCH.html
Print this Page | Comments | Reading(3)
Code: