Published:2009/7/10 3:31:00 Author:May | From:SeekIC

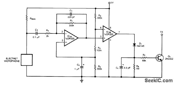
An electret microphone feeds a bandpass ftlter circuit (IC1A), then feeds a comparator, which in turn drives Q1. Q1 is a switch that conducts when audio from IC1B causes D1. C4. R6. and R7 to bias it oN.
Reprinted Url Of This Article:
http://www.seekic.com/circuit_diagram/Control_Circuit/Switch_Control/MICROPHONE_CONTROLLED_VOICEACTIVATED_SWITCH.html
Print this Page | Comments | Reading(3)
Code: