Published:2009/7/7 21:58:00 Author:May | From:SeekIC

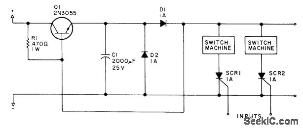
individual SCRs are triggered by logic-level signals independently to initiate discharge of large capacitor C1 through solenoid of model railroad tracks witch.-D. W. zimmerli,Two Hobbies:Model Railroading and Computing,Kilobaud Aug1978,p 62-68.
Reprinted Url Of This Article:
http://www.seekic.com/circuit_diagram/Control_Circuit/Switch_Control/MODEL_TRAIN_SWITCHING.html
Print this Page | Comments | Reading(3)
Code: