Published:2009/7/1 21:01:00 Author:May | From:SeekIC

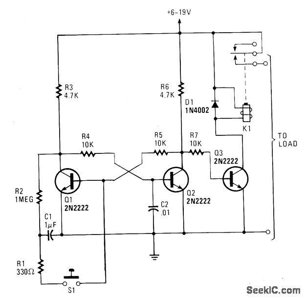
Transistors Q1 and Q2 make up the flip-flop while Q3 drives a reed relay. When powe is first applied to the circuit, Q1 and Q3 are conducting and Q2 is cut off.Momentarily closing S1 causes the flip-flop to switch states-Q1 cuts off and Q2 conducts.When Q2 is conducting, its collector drops to around 0.6 volt. That prevents base current from flowing into Q3 so it is cut off, de-energizing relay K1. The flip-flop changes state every time S1 is pressed. Capacitors C1 and C2 ensure that Q1 is always the transistor that turns on when power is first applied to the circuit. When power is first applied to the basic flip-flop, the initial status is random-Q1 and Q2 both try to conduct and, usually, the transistor with the higher gain will take control, reaching full conduction and cutting off the other one. However, differences in the values of the collector and coupling resistors will also influence the initial state at power-on. With C2 in the circuit, it and R4 form an R-C network that slightly delays the rise in Q2's base voltage. That glves Q1 sufficient time to reach saturation and thus take control.
Reprinted Url Of This Article:
http://www.seekic.com/circuit_diagram/Control_Circuit/Switch_Control/PUSH_ON_PUSH_OFF_ELECTRONIC_SWITCH.html
Print this Page | Comments | Reading(3)
Code: