Published:2009/7/10 2:30:00 Author:May | From:SeekIC



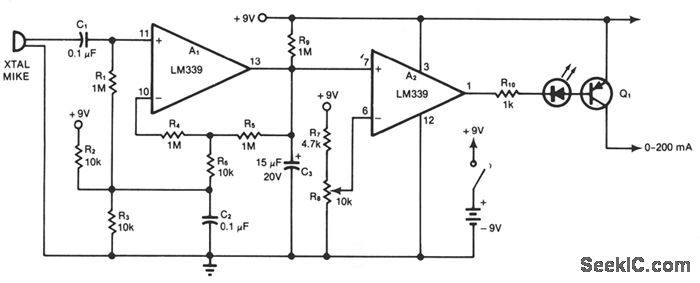
A1 and A2 are two sections of a quad comparator. The first, A1, functions as an amplifier and detector. Resistors R5 and R6 set the gain at 100; the output of A1 is an open collector to negative-peak-rectify the output with a decay time constant determined by R9 and C3. This dc output is then compared with the reference level selected by R8. A2 triggers switch Q1, and an LED inserted in the base drive of Q1 gives visual indication of switch closure. The standby battery drain is 2 mA. Use potentiometer R8 to select the desired sensitivity.
Reprinted Url Of This Article:
http://www.seekic.com/circuit_diagram/Control_Circuit/Switch_Control/SOUNG_ACTIVATED_SWITCH.html
Print this Page | Comments | Reading(3)
Code: