© 2008-2012 SeekIC.com Corp.All Rights Reserved.
Published:2009/7/10 20:57:00 Author:May | From:SeekIC

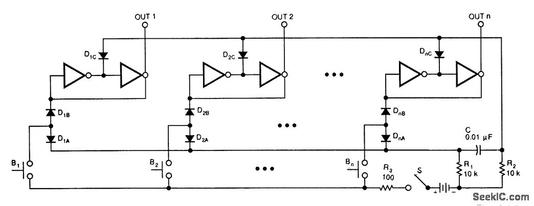
This switching circuit acts like a bank of interlocked mechanical switches; pushing one of the buttons latches its corresponding output and unlatches a previously selected output. A pair of inverters forms a latch for each output.Pressing button B1, for example, applies a positive pulse, via resistor diode D1B, to the input of the first output's, 0UT1, latch. This positive pulse will set OUT1 high. Feedback locks OUT1's pair of converters in this HIGH state. Meanwhile, the pulse will also pass through diode D1A to the differentiator that is formed by C and R2. The differentiator will shorten the pulse.The shortened pulse goes to all the latches and resets all of them, except the latch that sees the longer setting pulse. Obviously, if you press more than one button at once, more than one output will latch at once.
Reprinted Url Of This Article:
http://www.seekic.com/circuit_diagram/Control_Circuit/Switch_Control/SWITCHING_CIRCUIT.html
Print this Page | Comments | Reading(3)
Response in 12 hours
© 2008-2012 SeekIC.com Corp.All Rights Reserved.
Code: