© 2008-2012 SeekIC.com Corp.All Rights Reserved.
Published:2009/6/29 2:40:00 Author:May | From:SeekIC

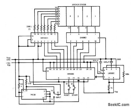
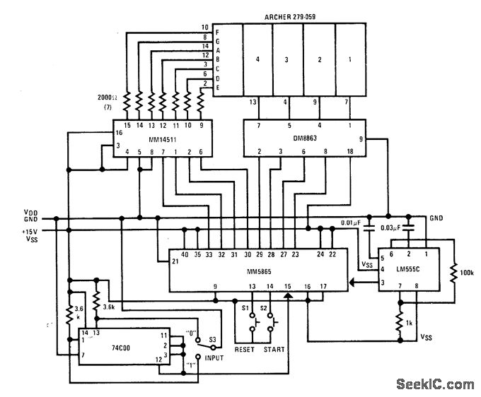
National MM5865 universal timer and counter chip is used with 74C00 debouncer and LM555C timer to drive digital display that counts closures of manual switch S3. Reset transition restores display to 0000. BCD segment outputs of MM5865 feed LED 4-digit display through MM14511 interface, whiledigit enable outputs go to display through DM8863 driver.— MOS/LSI Databook, National Semiconductor, Santa Clara, CA, 1977, p 2-23-2-32.
Reprinted Url Of This Article:
http://www.seekic.com/circuit_diagram/Control_Circuit/Switch_Control/SWITCH_CLOSURE_COU_NTER.html
Print this Page | Comments | Reading(3)
Response in 12 hours
© 2008-2012 SeekIC.com Corp.All Rights Reserved.
Code: