Published:2009/7/14 1:02:00 Author:May | From:SeekIC

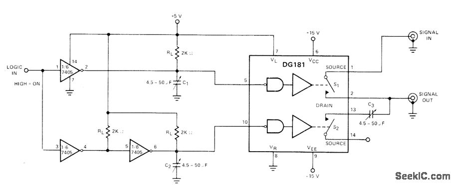
Transients occurring during switching between two amplifier channels are attenuated by synchronizing turn on of one switch in DG181 JFET analog switch with turnoff of other switch. Switching action is controlled by logic input,- Analog Switches and Their Applications, Siliconix, Santa Clara, CA, 1976, p 7-61.
Reprinted Url Of This Article:
http://www.seekic.com/circuit_diagram/Control_Circuit/Switch_Control/SYNCHRONIZED_SWITCHING.html
Print this Page | Comments | Reading(3)
Code: