Published:2014/1/21 21:10:00 Author:lynne | Keyword: Soft switching circuit schematic circuit diagram, | From:SeekIC

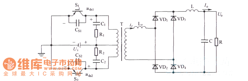
Soft switching circuit schematic circuit diagram shown in Fig.:
Reprinted Url Of This Article:
http://www.seekic.com/circuit_diagram/Control_Circuit/Switch_Control/Soft_switching_circuit_schematic_circuit_diagram.html
Print this Page | Comments | Reading(3)
Code: