Published:2009/7/13 2:45:00 Author:May | From:SeekIC

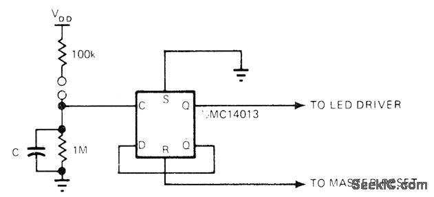
Uses half of Motorola MC14013 as flip-flop that changes state each time contacts are bridged by resistance of finger. For status display, LED driven by 2N3903 transistor can be added. Possible drawback is bouncing if finger is carelessly applied.-V. Gregory, CMOS Touch Switches-Convenient, Less $ and Sexy, EDN Magazine, May 5, 1976, p112.
Reprinted Url Of This Article:
http://www.seekic.com/circuit_diagram/Control_Circuit/Switch_Control/TOGGLING_TOUCH_SWITCH.html
Print this Page | Comments | Reading(3)
Code: