Published:2009/6/24 22:56:00 Author:May | From:SeekIC

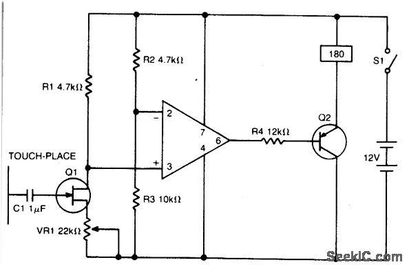
A high impedance input is provided by Q1, a general purpose field effect transistor. 741 op amp is used as a sensitive voltage level switch which in turn operates the current Q2, a medium current PNP bipolar transistor, thereby energizing the relay which can be used to control equipment, alarms, etc.
Reprinted Url Of This Article:
http://www.seekic.com/circuit_diagram/Control_Circuit/Switch_Control/TOUCH_SENSITIVE_SWITCH.html
Print this Page | Comments | Reading(3)
Code: