Published:2009/7/11 1:18:00 Author:May | From:SeekIC

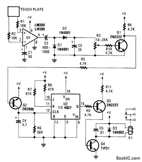
This switch reacts to the touch of a finger to turn lights and/or appliances on or off. The device uses the human body as an antenna to pick up 60-Hz hum, which is applied to a metal plate by your finger. The signal is fed to the input of U1, an LM380 audio-power amplifier. An LM386 should work as well.The 60-Hz output from the amplifier is rectified by D1 and D2, then filtered by C3. Potentiometer R3 sets the trigger voltage used to saturate Q1. When Q1 turns on, the collector end of R4 goes almost to ground and provides the needed voltage to turn on Q2. Transistor Q2 turns on and clocks. The flip-flop is configured for toggle-mode operation, so its output switches states with each clock pulse.The 4027 (U2) is wired to toggle by tying the J and K inputs high and the set and resets low. Transis-tor Q3 is connected to the Ooutput through the 4.7-kΩ resistor. Transistor Q3 drives Q4, the relay driver. Be sure that the load does not exceed the relay ratings.
Reprinted Url Of This Article:
http://www.seekic.com/circuit_diagram/Control_Circuit/Switch_Control/TOUCH_SWITCH_Ⅰ.html
Print this Page | Comments | Reading(3)
Code: