Published:2009/7/11 1:21:00 Author:May | From:SeekIC

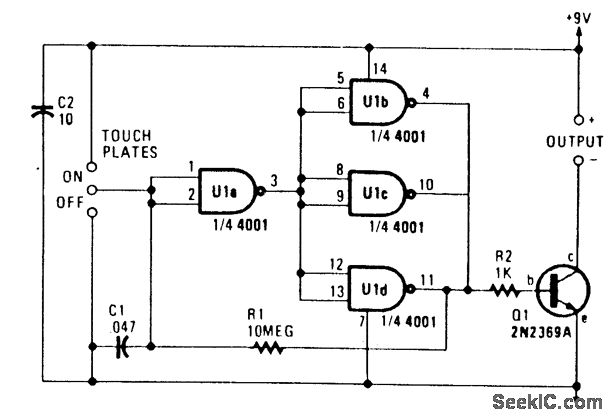
U1A and U1B/U1C/U1D form a bistable multivibrator that drives Q1, which switches the load. Touching the two upper contacts makes Q1 conduct; the two lower contacts cause Q1 to cut off.
Reprinted Url Of This Article:
http://www.seekic.com/circuit_diagram/Control_Circuit/Switch_Control/TOUCH_SWITCH_Ⅱ.html
Print this Page | Comments | Reading(3)
Code: