Published:2009/7/14 20:31:00 Author:May | From:SeekIC

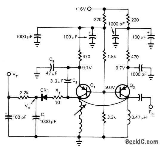
Tuning voltage V, in range of 0 to 7 V changes effective capacitance during peak positive portion of collector voltage cycle, to provide tuning over range of about 90 to 150 MHz. Reactance-switching HP 5082-3188 diode CR1 switches in additional capacitance for oscillator using Motorola 2N5208 transistors.-C. Weber, VCO Reactance Switching Provides Broad Tuning Range, EDN Magazine, March 20, 1977, p 151 and 153.
Reprinted Url Of This Article:
http://www.seekic.com/circuit_diagram/Control_Circuit/Switch_Control/TUNING_BY_REACTANCE_SWITCHING.html
Print this Page | Comments | Reading(3)
Code: