Published:2009/7/9 2:22:00 Author:May | From:SeekIC

Reprinted Url Of This Article:
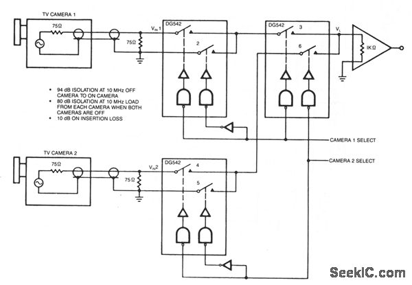
http://www.seekic.com/circuit_diagram/Control_Circuit/Switch_Control/VIDEO_SWITCH_WITH_VERY_HIGH_OFF_ISOLATION.html
Print this Page | Comments | Reading(3)
Code: