Published:2009/6/18 22:29:00 Author:May | From:SeekIC

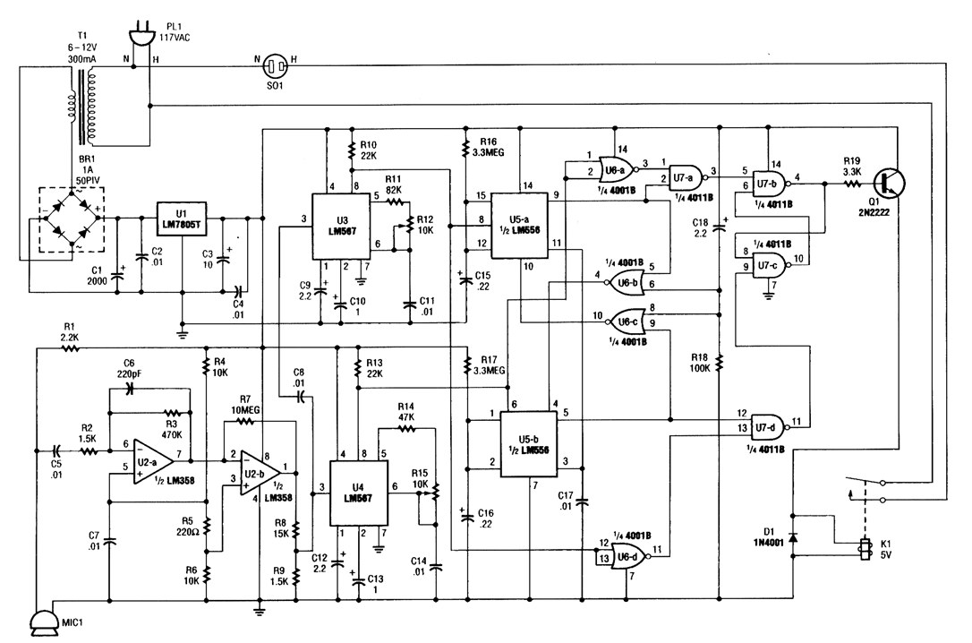
At the heart of the whistle switch are a pair of tone detectors, each of which is built around an LM567 tone decoder, which are supported by a ntinimum of additional components. This whistle switch is designed to respond to only two or more occur-rences of a specific tone, or sequence of tones, within a specified period to prevent false triggering. Depending on the relay used, various ac loads can be controlled. Microphone MIC1 picks up the sound and U2 amplifies the signal and feeds it to tone decoders U3 and U4. These devices trigger U5-a and U5-b and the logic circuits that drive relay K1.
Reprinted Url Of This Article:
http://www.seekic.com/circuit_diagram/Control_Circuit/Switch_Control/WHISTLE_SWITCH.html
Print this Page | Comments | Reading(3)
Code: