Published:2009/7/14 3:27:00 Author:May | From:SeekIC

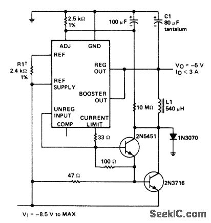
Negative-voltage regulator using SN52104 or SN72304 accepts input voltage range of -8.5 V to -40 V and pro-vides regulated output of -5 V with typical load regulation of 1 mV and input regulation of 0,06%. ICs are interchangeable with LM104 and LM304 respectively. L1 is 60 turns No. 20 on Arnold Engineering A930157-2 molybdenum permalloy core or equivalent.- The Linear and Interface Circuits Data Book for Design Engineers, Texas Instruments, Dallas, TX, 1973, p 5-5.
Reprinted Url Of This Article:
http://www.seekic.com/circuit_diagram/Control_Circuit/Switch_Control/_5_V_AT_3_A_SWITCHING.html
Print this Page | Comments | Reading(3)
Code: