Published:2009/6/19 2:00:00 Author:May | From:SeekIC

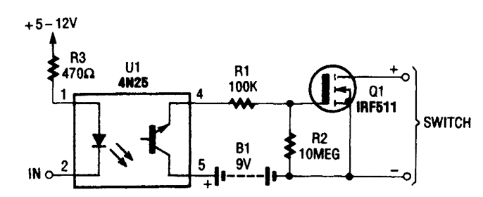
This dc-controlled switch uses an optoisola- tor/coupler, U1, to electrically isolate the input signal from the output-control device.
Reprinted Url Of This Article:
http://www.seekic.com/circuit_diagram/Control_Circuit/Switch_Control/dc_CONTROLLED_SWITCH_USING_OPTOISOLATOR.html
Print this Page | Comments | Reading(3)
Code: