Published:2009/7/22 20:21:00 Author:Jessie | From:SeekIC

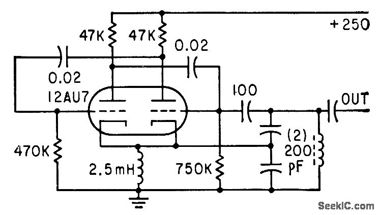
Free-running mvbr, half of which is connected us Colpitts oscillator, gives 1-Mc sine wave, 100% modulated by 15-cps square wave, for testing two-channel tachometer using radioactive sources-R. R. Bockemuehl und P. W. Wood, Unique Two-Channel Tachometer uses Radioisotopes, Electronics, 35:49, p 44-45.
Reprinted Url Of This Article:
http://www.seekic.com/circuit_diagram/Control_Circuit/TACHOMETER_TESTER.html
Print this Page | Comments | Reading(3)
Code: