Published:2009/7/2 21:54:00 Author:May | From:SeekIC

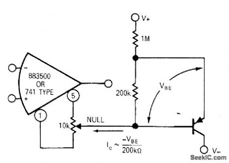
Drift effects of offset adjustment are removed by deriving correction current from emitter-base voltage of PNP signal transistor to develop appropriate temperature compensatioll. Correction current is divided with conventional control pot used for adjusting offset voltage. Article gives design equations.-J.Graeme, Offset Null Techniques Increase Op Amp Drift, EDN Magazine. Aprill. 1971. p 47-48.
Reprinted Url Of This Article:
http://www.seekic.com/circuit_diagram/Control_Circuit/TEMPERATURE_COMPENSATED_OFFSET_CONTROL.html
Print this Page | Comments | Reading(3)
Code: