Published:2009/7/24 4:17:00 Author:Jessie | From:SeekIC

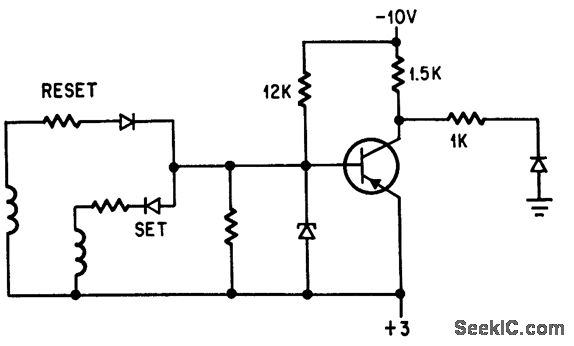
Arrangement using Esaki or tunnel diode is equivalent to bistable flip-flop. Used in 24-channel pulse code modulation system.-T. Kojima and M. Watanabe, When You're Second, You Try Harder, Electronics, 38:25, p 81-89.
Reprinted Url Of This Article:
http://www.seekic.com/circuit_diagram/Control_Circuit/TEMPORARY_MEMORY.html
Print this Page | Comments | Reading(3)
Code: