Published:2009/7/17 3:56:00 Author:Jessie | From:SeekIC

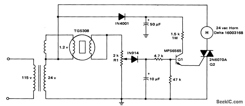
TGS gas/smoke detector with triac control(courtesy Motorola Semiconductor Products Inc.).
Reprinted Url Of This Article:
http://www.seekic.com/circuit_diagram/Control_Circuit/TGS_gas_smoke_detector_with_triac_control.html
Print this Page | Comments | Reading(3)
Code: