Published:2009/7/24 2:20:00 Author:Jessie | From:SeekIC

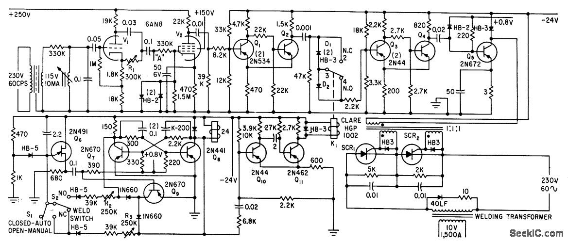
Control circuit uses gated rectifiers to generate welding pulses for rates up to 15 welds per second in foils up to 10 mils thick.-D. D. Kline, Automatic Welder for Thin Foils,Electronics,33:36,p 48:49.
Reprinted Url Of This Article:
http://www.seekic.com/circuit_diagram/Control_Circuit/THIN_FOIL_WELD_CONTROL.html
Print this Page | Comments | Reading(3)
Code: