Published:2009/6/30 1:38:00 Author:May | From:SeekIC

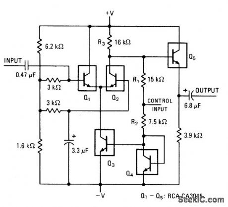
Five-transistor circuit for audio amplifier applications eliminates thumping sounds that can sometimes be heard when Ievel of input signal changes suddenly.Differential amplifier Q1-Q2, with B, in emitter-current control circuit, eliminates thump. Control input acts on identical transistors Q3-Q4 which make transconductance of differential pair Q1-Q2 vary in direct proportion to control voltage. Fifth transistor in array, Q5, is used as outputsignal buffer. Amplifiergain is 30 for control voltage of 15 V.-P. Brokaw, Automatic Gain Control Quells Amplifier Thump, Electron-ics, Jan. 10, 1974, p 131-132; reprinted in Circuits for Electronics Engineers, Electronics, 1977, p 46-47.
Reprinted Url Of This Article:
http://www.seekic.com/circuit_diagram/Control_Circuit/THUMPLESS_CONTROL.html
Print this Page | Comments | Reading(3)
Code: