Published:2009/7/8 1:41:00 Author:May | From:SeekIC

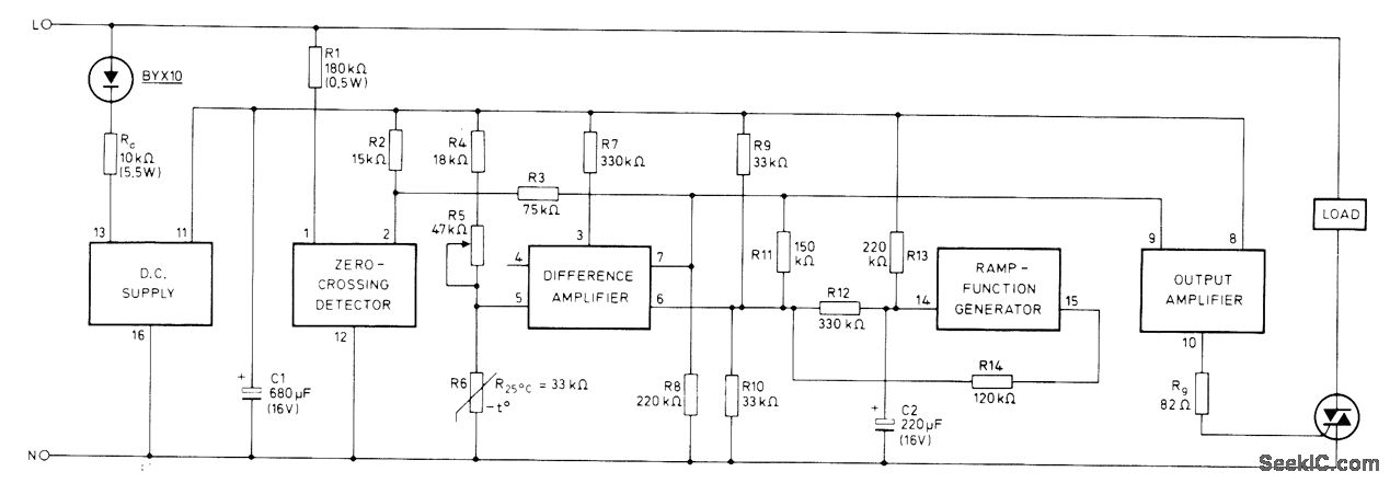
Provides synchronous ON/OFF switching of resistive load under control of temperature-sensitive bridge formed by R4, R5, and negative temperature coefficient thermistor R6 in one bridge branch, with R9 and R10 in other branch. All required function elements are included in Mullard TCA280A trigger module. Values shown are for triac requiring gate cuwent of 100 mA; for other triacs, values of Rd' Rg'and C1 may need to be changed. Proportional band can be adjusted by changing value of R12, Triac triggering coincides with zero crossings of AC line voltage.Repetition time of internally generated siwtooth is about 30 s and can be adiusted by changing C2.- TCA280A Trigger IC for Thy ristors and Triacs, Mullard, London, 1975, Technical Note 19, TP149O, p 10.
Reprinted Url Of This Article:
http://www.seekic.com/circuit_diagram/Control_Circuit/TIME_PROPORTIONAL_CONTROL.html
Print this Page | Comments | Reading(3)
Code: