Published:2009/6/30 1:48:00 Author:May | From:SeekIC

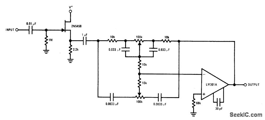
Use of 2N5458 JFET ahead of opampfeedback-type tone control provides high input impedance and low noise characteristics for high-fidelity audio applications,- FET Databook,″ National Semiconductor, Santa Clara、CA、1977,p 6-26-6-36
Reprinted Url Of This Article:
http://www.seekic.com/circuit_diagram/Control_Circuit/TONE_CONTROL_WITH_HIGH_INPUT_IMPED_ANCE.html
Print this Page | Comments | Reading(3)
Code: