Published:2009/7/9 22:29:00 Author:May | From:SeekIC

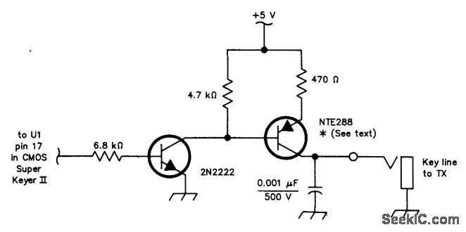
Using an NTE288 (or ECG288, GE223, or SK3434), this circuit can key a negative line up to-300V maximum. Do not use this circuit to key a vacuum-tube amplifier that draws grid current because the keying transistor might be damaged under these conditions.
Reprinted Url Of This Article:
http://www.seekic.com/circuit_diagram/Control_Circuit/TRANSMITTER_NEGATIVE_KEY_LINE_KEYER.html
Print this Page | Comments | Reading(3)
Code: