Published:2009/6/30 2:06:00 Author:May | From:SeekIC

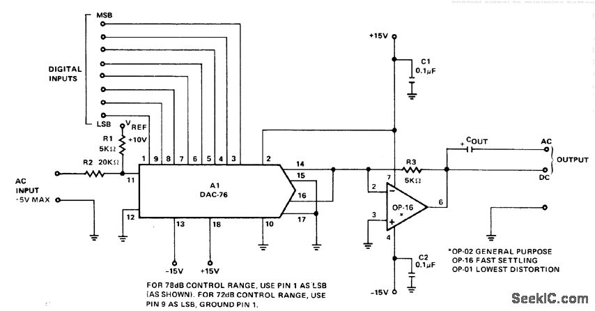
Decibel-weighted control characteristic of Pre-cision Monolithics DAC-76 DIA converter matches natural Ioudness sensitMty of human ear, to provide much greater useful dynamic range for controlling audio Ievel. Control range can be either 72 or 78 dB, depending on pin connections used. 8-bit word control input can be interfaced with standard TTL-compatible microprocessor outputs. To avoid annoying output transients during large or rapid gain changes, use clickless attenuatoriamplifier (also given in application noteļ¼.-W. Jung and VV.Ritmanich, Audio Applications for the DAC-76 Companding D/A Converter, Precision Mono-Iithics, Santa Clara, CA, 1977, AN-28 p 2.
Reprinted Url Of This Article:
http://www.seekic.com/circuit_diagram/Control_Circuit/TWO_OUADRANT_EXPONENTIAL_CONTROL.html
Print this Page | Comments | Reading(3)
Code: