Published:2009/7/21 1:17:00 Author:Jessie | From:SeekIC

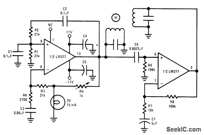
Both sections of National LM377 power amplifier are connected to provide up to 3 W per phase for driving small 60-Hz two-phase servomotor. Power is sufficient for phonograph turntable drive. Lamp is used in simple amplitude stabilization loop. Motor windings are 8 ohms, tuned to 60 Hz with shunt capacitors.- Audio Handbook, National Semiconductor, Santa Clara, CA, 1977, p 4-8-4-20.
Reprinted Url Of This Article:
http://www.seekic.com/circuit_diagram/Control_Circuit/TWO_PHASE_SERVO_DRIVE.html
Print this Page | Comments | Reading(3)
Code: