Published:2009/7/22 1:29:00 Author:Jessie | From:SeekIC

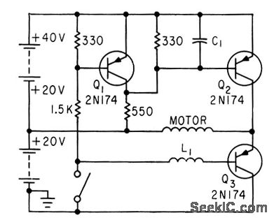
Acts as bidirectional current switch that selects one of two oppositely polarized current sources for d-c motor of gyro or accelerometer. Switch is operated by opposing forces of motor torsion and acceleration. Motor torsion opens switch, reducing speed and therefore torsion of motor, and acceleration forces then dose switch. Shaft speed is therefore proportional to acceleration.-F. W. Kear, D-C Motor Controls Improve System Accuracy, Electronics, 33:41, p 76.
Reprinted Url Of This Article:
http://www.seekic.com/circuit_diagram/Control_Circuit/TWO_SOURCE_CONTROL.html
Print this Page | Comments | Reading(3)
Code: