Published:2009/7/2 7:52:00 Author:May | From:SeekIC

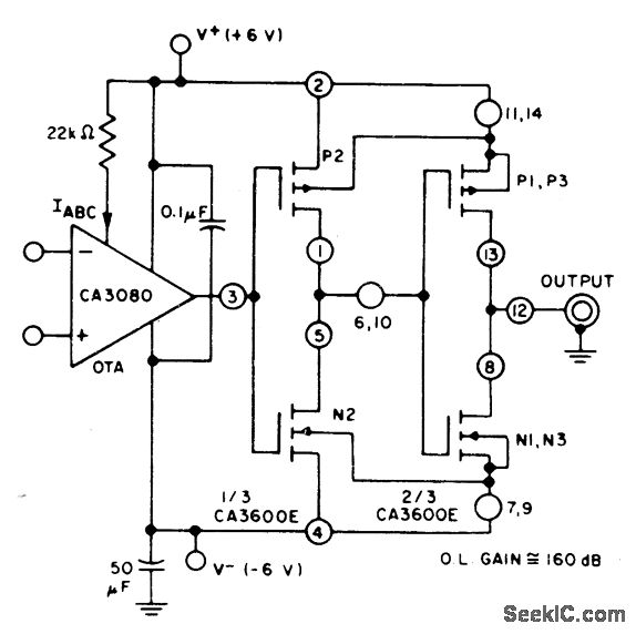
Connections shown for CA36OOE CMOS transistor-pair array give total open-loop gain of about 160 dB for system. Open-loop slew rate is about 65 V/μs.- Linear Integrated Circuits and MOS/FET's. RCA Solid State Division, Somerville, NJ, 1977, p278-279.
Reprinted Url Of This Article:
http://www.seekic.com/circuit_diagram/Control_Circuit/TWO_STAGE_POSTAMPLIFIER.html
Print this Page | Comments | Reading(3)
Code: