Published:2009/7/20 1:55:00 Author:Jessie | From:SeekIC

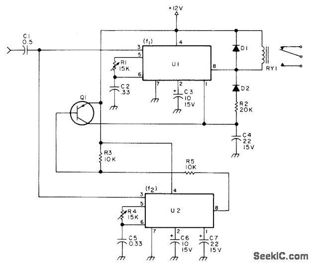
Used to perform simple ON/OFF auxiliary function via repeater input,Two 567 decoders energize relay for input tone of 1800Hz,with latching, and release it for 1950Hz Diodes are 1N4001,Relay can be 12 or24 V,al is 2N3905,2N3906,MPS6521,or 2N2222.-W Hosking. A Single Tone Can Do It,73Magazine, Nov 1977,p184-185
Reprinted Url Of This Article:
http://www.seekic.com/circuit_diagram/Control_Circuit/TWO_TONE_CONTROL.html
Print this Page | Comments | Reading(3)
Code: