Published:2013/7/30 20:43:00 Author:muriel | Keyword: Tan Timers | From:SeekIC

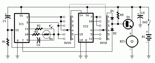
Parts:R1 47K 1/4W ResistorR2 1M 1/4W ResistorR3,R5 120K 1/4W ResistorsR4 Photo resistor (any type)C1,C3 10µF 25V Electrolytic CapacitorsC2 220nF 63V Polyester CapacitorD1,D2 1N4148 75V 150mA DiodesIC1 4060 14 stage ripple counter and oscillator ICIC2 4017 Decade counter with 10 decoded outputs ICQ1 BC337 45V 800mA NPN TransistorSW1 2 poles 6 ways Rotary Switch (see notes)SW2 SPST Slider SwitchBZ1 Piezo sounder (incorporating 3KHz oscillator)B1 3V Battery (two 1.5V AA or AAA cells in series etc.)
Device purpose:This timer was deliberately designed for people wanting to get tanned but at the same time wishing to avoid an excessive exposure to sunlight.A Rotary Switch sets the timer according to six classified Photo-types (see table).A Photo resistor extends the preset time value according to sunlight brightness (see table).When preset time ends, the beeper emits an intermittent signal and, to stop it, a complete switch-off of the circuit via SW2 is necessary.Photo-type, Features and Exposure timeI & children Light-eyed, red-haired, light complexion, freckly 20 to 33 minutesII Light-eyed, fair-haired, light complexion 28 to 47 minutesIII Light or brown-eyed, fair or brown-haired, light or slightly dark complexion 40 to 67 minutesIV Dark-eyed, brown-haired, dark complexion 52 to 87 minutesV Dark-eyed, dark-haired, olive complexion 88 to 147 minutesVI The darkest of all 136 to 227 minutes[color=green]Note that pregnant women belong to Photo-type I[/color]
Notes:Needing only one time set suitable for your own skin type, the rotary switch can be replaced by hard-wired links.A DIP-Switch can be used in place of the rotary type. Pay attention to use only a switch at a time when the device is off, or the ICs could be damaged.
Reprinted Url Of This Article:
http://www.seekic.com/circuit_diagram/Control_Circuit/Tan_Timers.html
Print this Page | Comments | Reading(3)
Code: