© 2008-2012 SeekIC.com Corp.All Rights Reserved.
Published:2012/10/22 21:49:00 Author:muriel | Keyword: Temperature Range , Indicator, Window Comparator | From:SeekIC

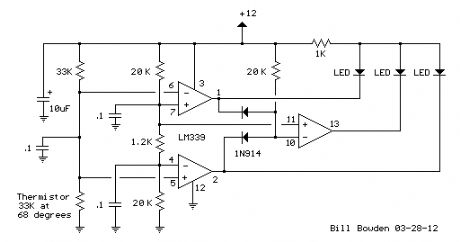
A window comparator usually employs 2 comparators with one output indicatingthe input is somewhere between two limits. In these examples, a thirdcomparator is added to display all three conditions where the input is inthe center range, or higher, or lower.The first example uses a thermistor to indicate the temperature is near68 degrees within about +/- 5 degree tollerance. The thermistor measures33K at around 68 degrees and varies about 3570 ohms over a range of 10 degrees.Using a 12 volt supply, the thermistor voltage will be 6 volts in the centerof the range. As the temperature increases 10 degrees, the total resistancefalls 3750 ohms, the current will be 12/ (66K -3750) =193uA and the thermistorvoltage will be 193u * (33k -3750) = 5.65 volts. This represents a voltagechange of (6 - 5.65) = 350 millivolts for a 10 degree change. The center resistorof the window voltage divider must then drop 350 millivolts. Using 20K resistorson the top and bottom of the window voltage divider produces a current of(6 - (.350/2)) / 20K = 291uA, and the center resistor is .350/291u = 1.2KWhen the temperature is in the center of the window range, the voltage atpins 5 and 6 will be 1/2 the supply voltage, or 6 volts in this case.The voltage divider (20K, 1.2K, 20K) produces a voltage of around 5.8 atpin 4 and 6.2 at pin 7. Since the voltage at pin 5 (6 volts) is more positivethan the voltage at pin 4 (5.8 volts), the output at pin 2 will be a highlevel. At the same time, the voltage at pin 7 (+ input) is higher thanpin 6 (- input) causing pin 1 to also be a high level. This conditionproduces a high (12 volt) level at pin 10 (- input) which produces a lowlevel at pin 13, lighting the window LED indicating the temperature is inthe window range. As the thermistor voltage moves above the upper 6.2 limit,pin 1 will switch low, extinguishing the window LED and illuminating the(Low Temp) LED. Similar action happens as the thermistor voltage moves belowthe lower 5.8 limit causing pin 2 to switch low (Over Temp LED) while theother two LEDs remain off.
Reprinted Url Of This Article:
http://www.seekic.com/circuit_diagram/Control_Circuit/Temperature_Range_Indicator_Using_a_Window_Comparator.html
Print this Page | Comments | Reading(3)
Response in 12 hours
© 2008-2012 SeekIC.com Corp.All Rights Reserved.
Code: