© 2008-2012 SeekIC.com Corp.All Rights Reserved.
Published:2011/7/25 21:39:00 Author:Ecco | Keyword: Temperature controller | From:SeekIC

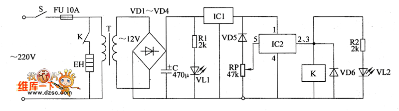
The temperature controller circuit is composed of the power supply circuit and temperature detection control circuit, and it is shown as the chart. Power supply circuit is composed of the power switch S, fuse FU, power transformer T, rectifier diodes VD1 ~ VD4, three-terminal voltage regulator integrated circuit IC1, resistors RI and limiting resistor RI, power indicator LED VL1. Temperature detection control circuit is composed of the temperature sensing diode VD5, potentiometer RP, electronic switch integrated circuit IC2, relay K, diode VD6, resistor R2 and LED VL2.
Reprinted Url Of This Article:
http://www.seekic.com/circuit_diagram/Control_Circuit/Temperature_controller_5.html
Print this Page | Comments | Reading(3)
Response in 12 hours
© 2008-2012 SeekIC.com Corp.All Rights Reserved.
Code: