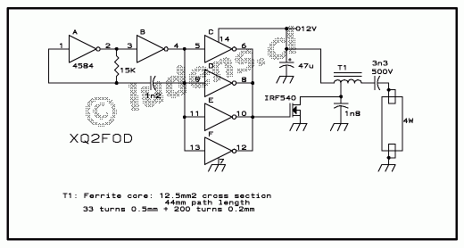
Published:2013/5/7 22:09:00 Author:muriel | Keyword: The 2 Watt driver | From:SeekIC

Reprinted Url Of This Article:
http://www.seekic.com/circuit_diagram/Control_Circuit/The_2_Watt_driver.html
Print this Page | Comments | Reading(3)
Code: