Published:2011/6/29 20:47:00 Author:Seven | Keyword: burglar-proof alarm | From:SeekIC

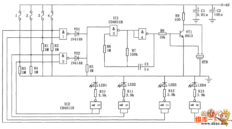
The 4-line burglar-proof alarm circuit is shown in the figure, which consists of the CD40118 integrated chips, it belongs to the multi-line burglar-proof alarm, and it can be used in 4-line burglar-proof alarm spots. It can not only make alarm sounds, but also indicate the monitored 4-line burglary in the term of LED.
Reprinted Url Of This Article:
http://www.seekic.com/circuit_diagram/Control_Circuit/The_4_line_burglar_proof_alarm_circuit.html
Print this Page | Comments | Reading(3)
Code: