Published:2011/7/6 9:30:00 Author:qqtang | Keyword: special alarm, application circuit | From:SeekIC

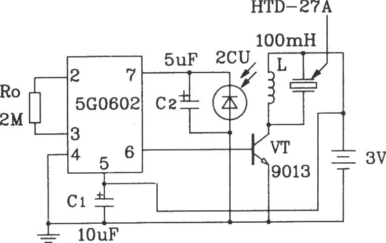
The 5G0602 special alarm integrated application circuitIn the figure, the sensor is a light sensitive tube, by replacing it with a thermistor, the circuit will be a temperature alarm circuit. In accordance with this law, 5G0602 can compose all kinds of alarms.
Reprinted Url Of This Article:
http://www.seekic.com/circuit_diagram/Control_Circuit/The_5G0602_special_alarm_integrated_application_circuit.html
Print this Page | Comments | Reading(3)
Code: