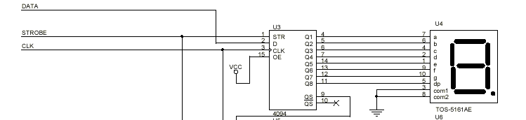
Published:2013/1/27 23:51:00 Author:muriel | Keyword: 7-segment driver, CMOS shift register, 4094. | From:SeekIC

Reprinted Url Of This Article:
http://www.seekic.com/circuit_diagram/Control_Circuit/The_7_segment_driver_using_CMOS_shift_register_4094.html
Print this Page | Comments | Reading(3)
Code: