Published:2011/11/8 21:13:00 Author:Ecco | Keyword: schematic diagram | From:SeekIC

Reprinted Url Of This Article:
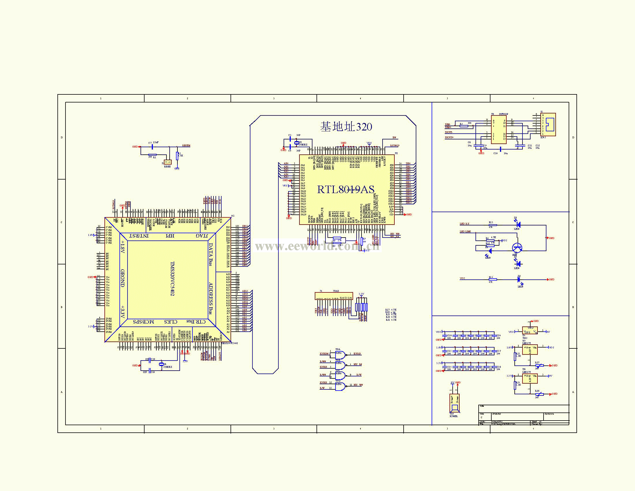
http://www.seekic.com/circuit_diagram/Control_Circuit/The_8019_schematic_diagram_controlling_by_5402.html
Print this Page | Comments | Reading(3)
Code: