Published:2012/11/12 20:57:00 Author:Ecco | Keyword: Chunhua , cleaner , electronic , speed control | From:SeekIC

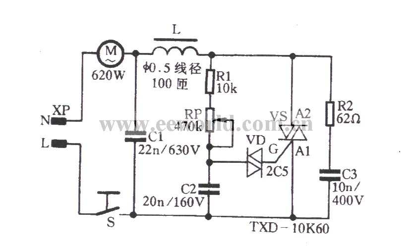
This circuit is composed of the following two parts: (1) phase shifting circuit. R1, RP, C2 constitute a phase shifting circuit. When the voltage VC2 across C2 gets the breakover voltage of trigger diode VD, VD gets conduction, C2 discharges, three-terminal bidirectional thyristor VS can control of pole flow pulse current is triggered by conduction. Adjusting potentiometer RP can adjust the phase of the gate pulse and change the conduction angle of VS, thereby adjusting the motor voltage and controlling the rotational speed of the M.
Reprinted Url Of This Article:
http://www.seekic.com/circuit_diagram/Control_Circuit/The_Chunhua_cleaner_electronic_speed_control_circuit.html
Print this Page | Comments | Reading(3)
Code: