Published:2011/6/19 8:48:00 Author:Seven | Keyword: FM modulation circuit, transistors | From:SeekIC

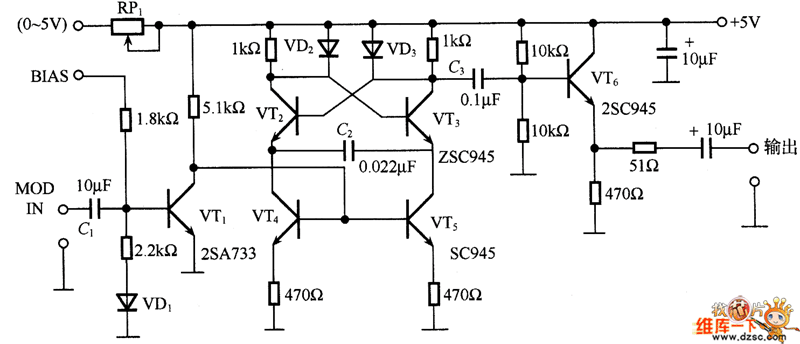
In the circuit, VT2 and VT3 are the multi-resonance oscillator circuit which is coupled by emitters, VT4 and VT5 compose the constant current circuit, which is controlled by the current. By using the clamp diodes of VD2 and VD3 which rise the switch shifting speed, the collecting electrode voltage fluctuation of VT2 and VT3 is kept at 0.5~0.6V. By the figured parameter, when the bias voltage is 5V, the oscillating frequency is f0=3.3×10/C2, and the temperature coefficient is positive to the outside temperature. Because the temperature coefficient of the basic pole-emitting pole voltage UBE of the transistor is passive, then emitting pole current has the positive coefficient.
Reprinted Url Of This Article:
http://www.seekic.com/circuit_diagram/Control_Circuit/The_FM_modulation_circuit_composed_of_transistors.html
Print this Page | Comments | Reading(3)
Code: