About SeekIC | Services | Payment | Advertisements service | Contact Us | Links
© 2008-2012 SeekIC.com Corp.All Rights Reserved.
Published:2011/6/19 7:52:00 Author:Seven | Keyword: infrared remote control, decoding circuit | From:SeekIC

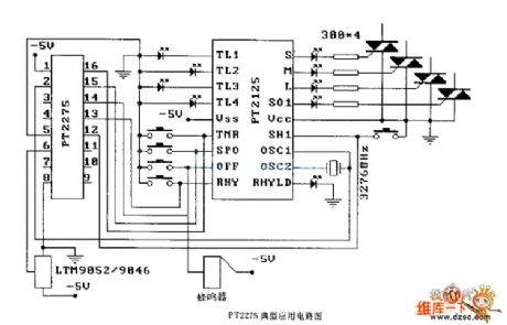
Figure: The FT2275 (general) infrared remote control decoding circuit
Reprinted Url Of This Article:
http://www.seekic.com/circuit_diagram/Control_Circuit/The_FT2275_general_infrared_remote_control_decoding_circuit.html
Print this Page | Comments | Reading(3)
Response in 12 hours
© 2008-2012 SeekIC.com Corp.All Rights Reserved.
Code: