Published:2011/6/25 4:55:00 Author:qqtang | Keyword: Mitsubishi, auto escalator | From:SeekIC

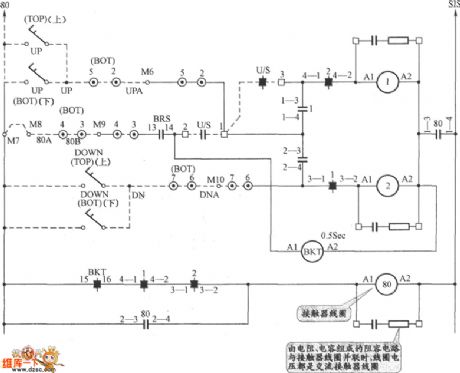
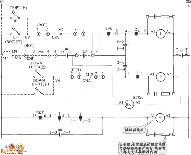
The Mitsubishi auto escalator control circuit is shown in the figure.
Reprinted Url Of This Article:
http://www.seekic.com/circuit_diagram/Control_Circuit/The_Mitsubishi_auto_escalator_control_circuit.html
Print this Page | Comments | Reading(3)
Code: