Published:2011/6/19 8:33:00 Author:Seven | Keyword: modulation circuit | From:SeekIC

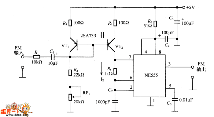
In the figure is the NE555 FM modulation circuit. In the figure, NE555 7-pin is connected with a FM modulation circuit which is composed with R5 and C2, but the frequency range is kind of small. VT1 and VT2 form a current Miller circuit, which generates a charging current in the charging circuit, the current magnitude is decided by R2 and RP1. The low-frequency modulation signal and the bias current IB are added up and then the oscillating frequency is changed. VT1 and VT2 in the current Miller circuit would better be couple pipe.
Reprinted Url Of This Article:
http://www.seekic.com/circuit_diagram/Control_Circuit/The_NE555_FM_modulation_circuit.html
Print this Page | Comments | Reading(3)
Code: