Published:2011/6/24 8:02:00 Author:qqtang | Keyword: ultra-sonic, fog humidifier | From:SeekIC

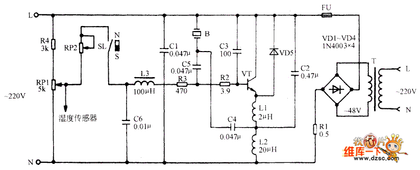
T-power supply transformer FU-fuse VT-triode L1,L2,L3-the inductor B-voltage pottery power switch S-N-magnet ring buoy SL-water level switch
RP1-fog volume control switch RP2-adjustable resistor
Reprinted Url Of This Article:
http://www.seekic.com/circuit_diagram/Control_Circuit/The_TD_5_ultra_sonic_micro_fog_humidifier_circuit.html
Print this Page | Comments | Reading(3)
Code: