Published:2011/7/22 6:37:00 Author:qqtang | Keyword: auto control circuit, pile hammer | From:SeekIC

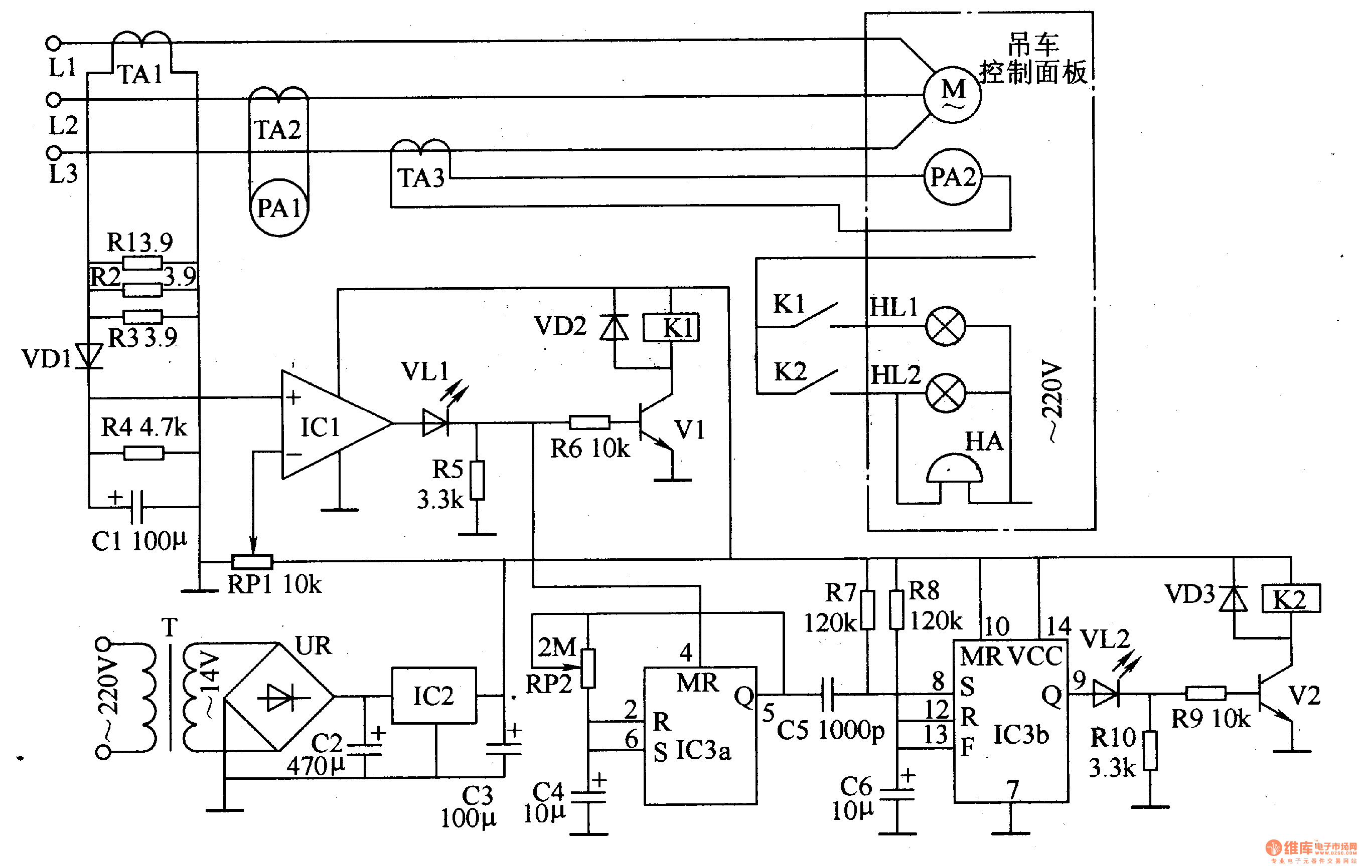
The working principle of the circuit The auto control circuit of the stone pile hammer consists of the power supply circuit, current detection and indicating circuit and the control alarm circuit, see as figure 8-141.
The power supply circuit consists of the transformer T, rectifier bridge pile UR, filter capacitors C2 and C3 and the 3-phase regulated integrated circuit IC2. The current detection and indicating circuit consists of the mutual inductor TAl-TA3, resistor R1-R4, potentiometer RP1, diode VD1, capacitor C1, ampere meters of PA1 of PA2 and computer integrated circuit IC1.
Reprinted Url Of This Article:
http://www.seekic.com/circuit_diagram/Control_Circuit/The_auto_control_circuit_of_the_stone_pile_hammer.html
Print this Page | Comments | Reading(3)
Code: