Published:2011/6/30 21:27:00 Author:qqtang | Keyword: temperature control | From:SeekIC

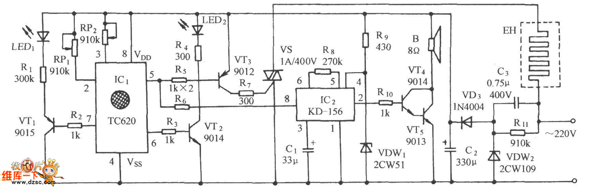
The figured circuit consists of the temperature control sensor switch, the temperature LED display circuit of upper and lower limit, SCR control circuit, analog sound circuit and AC step-down rectifier circuit, etc. The temperature circuit can do the auto control in the within the upper and lower temperature, the detecting precision is ±3℃, so the effect is ideal, and it can also indicate the over-temperature.
Reprinted Url Of This Article:
http://www.seekic.com/circuit_diagram/Control_Circuit/The_auto_temperature_control_circuit.html
Print this Page | Comments | Reading(3)
Code: