Published:2011/7/23 3:24:00 Author:qqtang | Keyword: burglarproof alarm | From:SeekIC

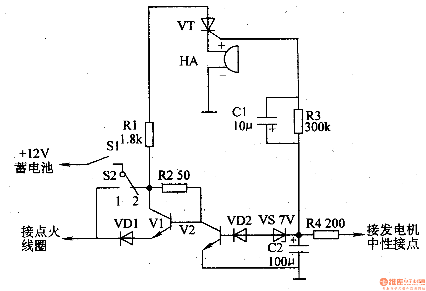
The working principle of the circuit The burglarproof alarm circuit consists of the burglarproof control circuit and trigger alarm circuit, see as figure 7-80.
The burglarproof control circuit consists of the car igniting switch S1, burglar switch S2, diodes of VD1 and VD2, transistor V1 and V2, resistor R2 and capacitor C2. The trigger alarm circuit consists of the resistors (R1, R3 and R4), capacitor C1, thyristor VT and buzzer HA.
Reprinted Url Of This Article:
http://www.seekic.com/circuit_diagram/Control_Circuit/The_automobile_burglarproof_alarm_2.html
Print this Page | Comments | Reading(3)
Code: